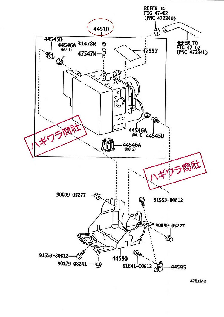
📢 제목에 "제조사/ 브랜드 명"과 "차종(ex. 아반떼 CN7)”를 넣어 작성하면, 보다 빠른 판매가 가능합니다! 📢 게시글 작성 시 배송 방법에 “직거래”와 “내 위치” 설정할 경우, 보다 빠른 판매가 가능합니다! 안녕하세요 일본차 부품 전문 판매 하기와라 상사 곽재화 매니저 입니다. 렉서스 GS450h GWL10 ABS 모듈 엑츄에이터 품번은 44050-30670 입니다. # 렉서스 정식 수입 순정 부품 # 입니다. 현재 판매중입니다 (정식 수입품으로 환율 변동이 크게 발생하면 가격 변동 발생 합니다) 재고 소진률이 빠릅니다. 전화 또는 문자 , 카톡으로(전화저장하시면 카톡 뜹니다) 문의 먼저 바랍니다 전화문의 또는 문자 주세요 공10 구58오 1212 -렉서스 및 별도로 타 일본차 (도요타.닛산.혼다.마쯔다 등등) 전차종 부품 필요하시면 문의 주세요 !!! 🚨회원님의 거래 게시글을 노린 중고나라 운영진 사칭 피싱 사이트를 주의하세요🚨
1/10
새 상품은 어떠세요?

이런 상품은 어때요?
파워쇼핑
